Product SI2-K08-Y1
Inductive Sensor
Slot-type
Order number: 1007700- Slot sensor, height 8 mm
- Plastic, polypropylene
- Mechanical end stop, removable, for analog pointer instruments
- DC 2-wire, nom. 8.2 VDC
- Output acc. to EN 60947-5-6 (NAMUR)
- Stranded wire connection, mostly jacketed
- ATEX category II 1 G, Ex zone 0
- ATEX category II 1 D, Ex zone 20
- SIL2 (Low Demand Mode) acc. to IEC 61508, PL c acc. to ISO 13849-1 with HFT0
- SIL3 (All Demand Mode) acc. to IEC 61508, PL e acc. to ISO 13849-1 with redundant configuration HFT1

General data
| EAN | 4047101144932 |
| eCl@ss-Code (V5.1.4): | 27270101 -/- Inductive proximity switch |
| Customs tariff number | 85365019000 |
| Country of origin | PL |
| Weight | 18 g |
Technical Data
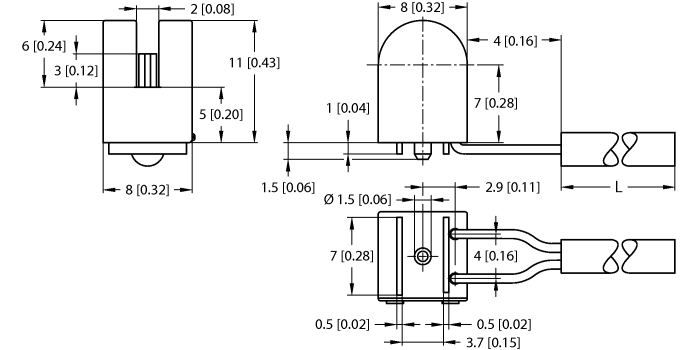
| Design | Slot sensor |
| Construction size | 11 x 15 x 8 mm, K08 |
| Slot width | 2 mm |
| Operating voltage | Nom. 8.2 VDC |
| Output function | NAMUR |
| Switching frequency | 2.50 kHz |
| Electrical connection | Stranded wires |
| Cable length | 0.210 m |
| Housing material | Plastic, PP |
| Ambient temperature | -25…+70 °C |
| Protection class | IP67 |
| Approvals | ATEX II 1 G, ATEX II 2 G, ATEX II 3 G, ATEX II 1 D, ATEX II 2 D, ATEX II 3 D, SIL2, PLc |
Functional accessories
|
IMX12-DI01-2S-2T-0/24VDC
Isolating switching amplifier, 2-channel; SIL2 acc. to IEC 61508; Ex-proof version; 2 transistor outputs; input Namur signal; ON/OFF switchable monitoring of wire-break and short-circuit; toggle between NO/NC mode; signal doubling; removable screw terminals; 12.5 mm wide; 24 VDC power supply |
7580020 |

